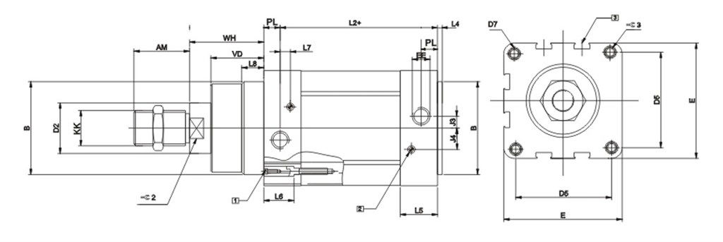
Piston Çapı (mm):
32
Piston Stroku (mm):
75
Silindir Gövde Şekli :
Kompakt
Çalışma Şekli :
Çift Etkili
Piston Mil Çapı (mm):
12
Piston Mil Çapı (metrik):
M10
Manyetik Ön Arka Konum Belirleme :
Ön-Arka
İşletme/Devreye Alma:
Dahil Değil
Elektrik Bağlantısı:
Yok
Kurulu Güç:
0
Ürün Ebatları (En/Boy/Yükseklik) (mm):
45,00/161,60/45,00
Ürün Ağırlığı (kg):
1,30
Nakliye/Kargo:
Dahil Değil
Çalışma Basıncı : 1-9 bar
Dayanma Basıncı : 13.5 bar (max)
Çalışma Sıcaklığı : -5°C ~ +70°C
Ürün açıklamasında geçen ilk sayılar, silindirin çapını belirtmektedir.
Diğer sayılar silindirin hareket edeceği strok mesafesini belirtmektedir.
Strok mesafesi silindirin kaç mm gidip, geleceğini belirtmektedir.
Pnömatik silindir seçimi yaparken, ihtiyacınız olan ürünün teknik özelliklerine dikkat ediniz!
| Doküman Adı | İşlemler |
|---|
Bu ürünü EFT/Havale ile satın alabilirsiniz.
Bu ürünü kredi kartı ile satın alabilirsiniz.


