Pompanın Debisi (L/min):
9,15
Pompa Daimi Basıncı (bar):
200
Pompa Max.Hızı (rpm):
2500
Pompa Min.Hızı (rpm):
Belirtilmedi
İşletme/Devreye Alma:
Dahil Değil
Elektrik Bağlantısı:
Yok
Kurulu Güç:
0
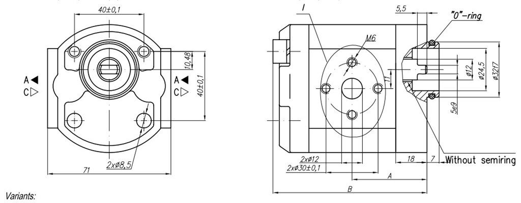
Ürün Ebatları (En/Boy/Yükseklik) (mm):
71,00/84,00/108,80
Ürün Ağırlığı (kg):
1,00
Nakliye/Kargo:
Dahil Değil
Hidrolik pompalar mekanik enerjiyi hidrolik enerjiye çeviren komponentlerdir. Yük etkisi altında oluşan basıncı yenecek güçte akış sağlar.
Grup 10 X179 serisi, ikili tandem arka pompasıdır. Grup 20, X168 serisi pompalarla beraber kullanılır.
Grup 10-HX179 Hidrolik Dişli Pompa Özellikleri:
İletim Hacmi: 1 cc/devir’den 9.8 cc/devir’e kadar
Nominal Basınç: 250 bar’a kadar
Maks. Hız: 3500 devir/dk’ye kadar
Akışkan sıcaklık aralığı: -10 ° C …+80 ° C
Akışkan tipi: Mineral bazlı hidrolik yağ
Viskozite: 10-100 cSt (46 cSt mineral bazlı hidrolik yağ önerilmektedir. Farklı iklim koşullarında viskozite değerleri değişebilir.)
Filtrasyon: 15-25 µm
| Doküman Adı | İşlemler |
|---|
Bu ürünü EFT/Havale ile satın alabilirsiniz.
Bu ürünü kredi kartı ile satın alabilirsiniz.


