Pompanın Debisi (L/min):
16,9
Pompa Daimi Basıncı (bar):
200
Pompa Max.Hızı (rpm):
3000
Pompa Min.Hızı (rpm):
Belirtilmedi
İşletme/Devreye Alma:
Dahil Değil
Elektrik Bağlantısı:
Yok
Kurulu Güç:
0
Ürün Ebatları (En/Boy/Yükseklik) (mm):
86,00/112,00/145,00
Ürün Ağırlığı (kg):
1,00
Nakliye/Kargo:
Dahil Değil
Hidrolik pompalar, mekanik enerjiyi hidrolik enerjiye dönüştüren mekanik cihazlardır. Yükün neden olduğu basıncı aşmak için yeterli güçte akış üretirler.
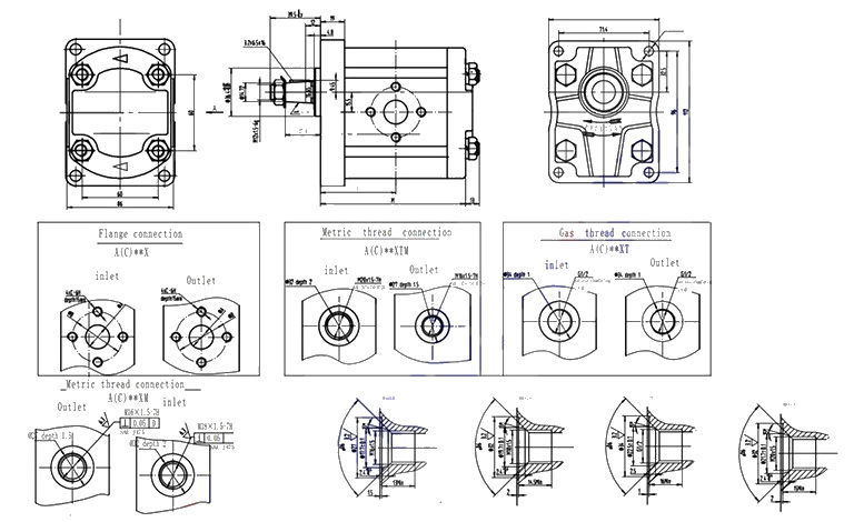
Grup 2 Hidrolik Dişli Pompa Özellikleri:
İletim Hacmi: 4.5 cc/dev'den 19 cc/dev'e kadar
Nominal Basınç: 200 bara kadar
Maksimum Hız: 3000 dev/dak'ya kadar
Akışkan Sıcaklık Aralığı: -10°C …+80 °C
Akışkan Tipi: Mineral bazlı hidrolik yağ
Viskozite: 10-100 cSt (46 cSt mineral bazlı hidrolik yağ önerilir, farklı iklimlerde değişebilir)
Filtrasyon: 15-25 µm
*Portlar standart olarak flanşlıdır. BSP ve Metrik dişli portlar için lütfen bizimle iletişime geçin.
| Doküman Adı | İşlemler |
|---|
Bu ürünü EFT/Havale ile satın alabilirsiniz.
Bu ürünü kredi kartı ile satın alabilirsiniz.


