Pompanın Debisi (L/min):
22,5
Pompa Daimi Basıncı (bar):
250
Pompa Max.Hızı (rpm):
2500
Pompa Min.Hızı (rpm):
Belirtilmedi
İşletme/Devreye Alma:
Dahil Değil
Elektrik Bağlantısı:
Yok
Kurulu Güç:
0
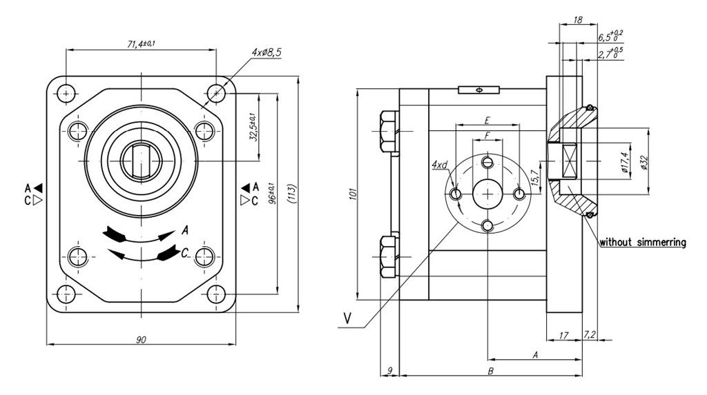
Ürün Ebatları (En/Boy/Yükseklik) (mm):
71,40/113,00/106,20
Ürün Ağırlığı (kg):
2,00
Nakliye/Kargo:
Dahil Değil
Hidrolik pompalar mekanik enerjiyi hidrolik enerjiye çeviren komponentlerdir. Yük etkisi altında oluşan basıncı yenecek güçte akış sağlar.
Grup 20, X201 serisi ikili tandem arka pompasıdır. Grup 30, X198 ve X245 serisi pompalarla beraber kullanılır.
Grup 20-HX201 Hidrolik Dişli Pompa Özellikleri:
İletim Hacmi: 4.5 cc/devir’den 28 cc/devir’e kadar
Nominal Basınç: 250 bar’a kadar
Maks. Hız: 3500 devir/dk’ye kadar
Akışkan sıcaklık aralığı: -10 ° C …+80 ° C
Akışkan tipi: Mineral bazlı hidrolik yağ
Viskozite: 10-100 cSt (46 cSt mineral bazlı hidrolik yağ önerilmektedir. Farklı iklim koşullarında viskozite değerleri değişebilir.)
Filtrasyon: 15-25 µm
| Doküman Adı | İşlemler |
|---|
Bu ürünü EFT/Havale ile satın alabilirsiniz.
Bu ürünü kredi kartı ile satın alabilirsiniz.


