Pompanın Debisi (L/min):
42
Pompa Daimi Basıncı (bar):
250
Pompa Max.Hızı (rpm):
3000
Pompa Min.Hızı (rpm):
Belirtilmedi
İşletme/Devreye Alma:
Dahil Değil
Elektrik Bağlantısı:
Yok
Kurulu Güç:
0
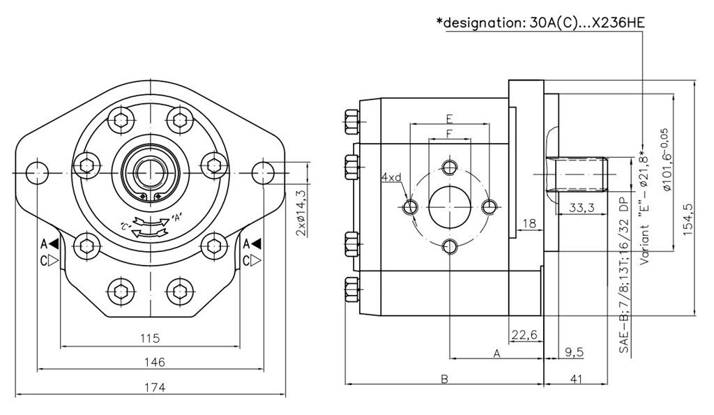
Ürün Ebatları (En/Boy/Yükseklik) (mm):
154,50/174,00/165,70
Ürün Ağırlığı (kg):
4,00
Nakliye/Kargo:
Dahil Değil
Hidrolik pompalar, mekanik enerjiyi hidrolik enerjiye dönüştüren mekanik cihazlardır. Yükün neden olduğu basıncı aşmak için yeterli güçte akış üretirler.
Grup 30-HX236 Hidrolik Dişli Pompa Özellikleri:
İletim Hacmi: 20 cm³/dev'den 60 cm³/dev'e kadar
Nominal Basınç: 250 bar’a kadar
Maksimum Hız: 3000 dev/dak'ya kadar
Akışkan Sıcaklık Aralığı: -10°C …+80 °C
Akışkan Tipi: Mineral bazlı hidrolik yağ
Viskozite: 10-100 cSt (46 cSt mineral bazlı hidrolik yağ önerilir, farklı iklimlerde değişebilir)
Filtrasyon: 25 µm
| Doküman Adı | İşlemler |
|---|
Bu ürünü EFT/Havale ile satın alabilirsiniz.
Bu ürünü kredi kartı ile satın alabilirsiniz.


